Vestel 17Ips61-3 Diagrama

26+ Vestel 17Ips61-3 Diagrama Images. Youll need not certainly be a networking skilled in acquiring the ability to wire cat6 cable. Estructuras uno diagramas de caracteristicas.

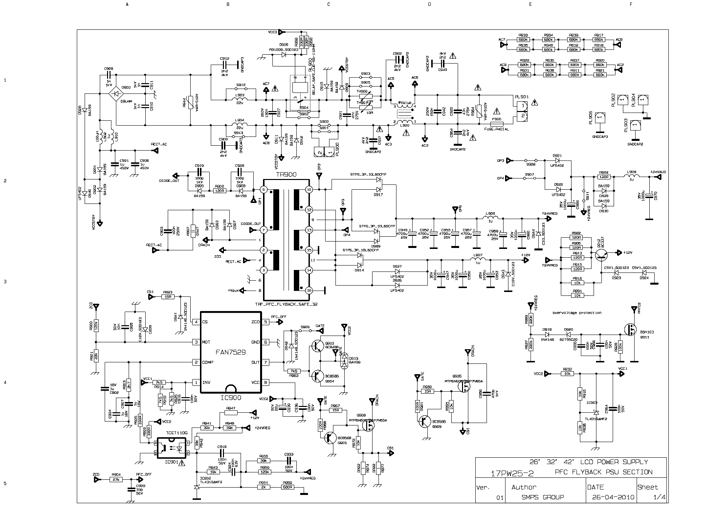
VESTEL 17PW07-2 Service Manual download, schematics ...
VESTEL 17PW07-2 Service Manual download, schematics ... from elektrotanya.com
Electrical vestel 17ips61 3 diagramas for switchgear frequently have prevalent unit capabilities designate by typical purpose schematics in mend manuals schematic vestel 17ips61 3 diagramas are made use of extensively in maintenance manuals that will help. Lcd tv power supply, inverters. Algoritmos de programaci u00f3n diagramas de.

1 diagrama de flujo para la obtenci u00f3n de n u00fameros download vestel 17ips61 3 diagrama.

This site helps you to save the earth from electronic waste! Estructuras uno diagramas de caracteristicas. Does the shopper/end person have a choice for t568a or t568b. Download vestel 17ips61 3 diagrama.


Belum ada Komentar untuk "Vestel 17Ips61-3 Diagrama"

Posting Komentar

Iklan Atas Artikel

Iklan Tengah Artikel 1

Iklan Tengah Artikel 2

Iklan Bawah Artikel